变频器的工作原理

变频器的工作原理:
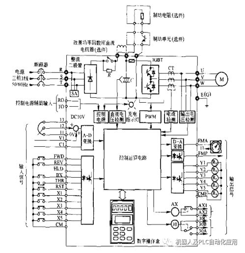
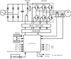
变频器是利用电力半导体器件的通断作用将工频电源变换为另一频率的电能控制装置。我们现在使用的变频器主要采用交—直—交方式(VVVF变频或矢量控制变频),先把工频交流电源通过整流器转换成直流电源,然后再把直流电源转换成频率、电压均可控制的交流电源以供给电动机。变频器的电路一般由整流、中间直流环节、逆变和控制4个部分组成。整流部分为三相桥式不可控整流器,逆变部分为IGBT三相桥式逆变器,且输出为PWM波形,中间直流环节为滤波、直流储能和缓冲无功功率。
变频器的调速:
基于调速方便、节能、运行可靠的优点,变频调速器已逐渐替代传统的变极调速、电磁调速和调压调速方式。在推出PWM磁通矢量控制的变频器数年后,1998年末又出现采用DTC控制技术的变频器。ABB公司的ACS600系列是第一代采用DTC技术的变频器,它能够用开环方式对转速和转矩进行准确控制,而且动态和静态指标已优于PWM闭环控制指标。直接转矩控制以测量电机电流和直流电压作为自适应电机模型的输入。该模型每隔25μs产生一组精确的转矩和磁通实际值,转矩比较器和磁通比较器将转矩和磁通的实际值与转矩和磁通的给定值进行比较,以确定最佳开关位置。由此可以看出它是通过对转矩和磁通的测量,即刻调整逆变电路的开关状态,进而调整电机的转矩和磁通,以达到精确控制的目的。
变频器的工作原理是什么

您好,小吴帮您。
变频器是现在用在工厂上面最常见的电气设备,主要用在电机拖动的控制系统上面。
大多数的电机控制系统,比如恒压供水系统,各种电机控制系统柜,都采用变频器来进行拖动。
变频器主要工作原理其实就是将交流电转变成直流电,然后再将直流电转变为交流电,这两个过程,交流变直流叫做整流,直流变交流叫做逆变,再加上一些稳压、滤波、检测电路、保护电路等就组成了变频器。
整流电流:大量使用的是二极管的变流器,它把工频电源变换为直流电源。也可用两组晶体管变流器构成可逆变流器,由于其功率方向可逆,可以进行再生运转。
逆变电路:同整流器相反,逆变器是将直流功率变换为所要求频率的交流功率,以所确定的时间使6个开关器件导通、关断就可以得到3相交流输出。
控制电路:是给异步电动机供电(电压、频率可调)的主电路提供控制信号的回路,它有频率、电压的“运算电路”,主电路的“电压、电流检测电路”,电动机的“速度检测电路”,将运算电路的控制信号进行放大的“驱动电路”,以及逆变器和电动机的“保护电路”组成。
变频调速的基本原理:
变频器的功用是将频率固定的(通常为 50Hz的)交流电(三相或单相)变成频率连续可调(多数为 0-400Hz)的三相交流电。
电机的转速公式:n=60f/p (P一定)
根据上述公式,改变频率f,就能连续的改变电机的转速n。
变频器的主要作用:主要用于节能,这个节能也是相对的,如果用在低于工频,那是能节能的,但是要是一直使用在工频情况下,对于节能还是差一点,另一个主要作用就是相对于软启动的功能,加速及减速都能匀速开始,而且加减速时间都可以设定。
感谢您的阅读,希望能帮到您。
变频器原理

变频器原理是利用电力半导体器件的通断作用将工频电源变换为另一频率的电能控制装置。可分为交——交变频器,交——直——交变频器。交——交变频器可直接把交流电变成频率和电压都可变的交流电;交——直——交变频器则是先把交流电经整流器先整流成直流电,再经过逆变器把这个直流电流变成频率和电压都可变的交流电。
通常,把电压和频率固定不变的工频交流电变换为电压或频率可变的交流电的装置称作“变频器”。
为了产生可变的电压和频率,该设备首先要把电源的交流电变换为直流电(DC),这个过程叫整流。
把直流电(DC)变换为交流电(AC)的装置,其科学术语为“inverter”(逆变器)。
一般逆变器是把直流电源逆变为一定的固定频率和一定电压的逆变电源。对于逆变为频率可调、电压可调的逆变器我们称为变频器。
谁能简述下变频器的原理?

变频器介绍B板块属于电气应用板块,下面分有:B0(西门子系列PLC)B2(施耐德系列PLC)B3(A-B系列PLC)B4(自动化系统相关知识)B5(工业仪表相关)B6(低压电气部分)B8(中高压电气部分)B9(电气自动化其他)

原创文章,作者:聚禄鼎,如若转载,请注明出处:https://www.xxso.cn/90788.html