buck 电路的基本功能作用

buck电路不就是降压斩波电路嘛,是基本的DC-DC电路之一。用于直流到直流的降压变换。
可以看一下开关电源或者电力电子,都会讲到这个电路。

DC/DC buck电路中电感、电容的作用,特别是电容,

你是指哪个电感和电容呀,DC/DC电路中有一个变压器,是振荡电路的负载兼脉冲电压传输作用,次级的输出就是我们需要的变换后的电压。电容很多,有振荡、升压、去耦等,转换电路有很多种,最好拿图来分析。
buck和boost电路工作原理

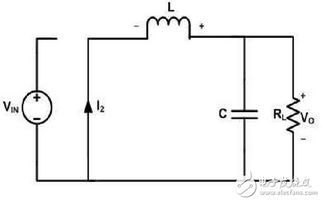
Buck变换器工作在电感电流连续模式下的,其工作原理如下:
开关管的导通与关断受控制电路输出的驱动脉冲控制,当控制电路脉冲输出高电平时,开关管导通,如续流二极管阳极电压为零,阴极电压为电压电压,因此反向截止,开关上流过电流流经电感向负载供电;此时中的电流逐渐上升,在两端产生左端正右端负的自感电势阻碍电流上升,将电能转化为磁能存储起来。经过时间后,控制电路脉冲为低电平,开关管关断,但电流不能突变,
电感两端产生右端正左端负的自感电势阻碍电流下降,从而使正向偏置导通,于是电流构成回路,电流值逐渐下降,储存的磁能转化为电能释放出来供给负载。经过时间后,控制电路脉冲又使开关管导通,重复上述过程。滤波电容的作用是为了降低输出电压的脉动。续流二极管是必不可少的元件,若无此二极管,电路不仅不能正常工作,而且在开关管由导通变为关断时,两端将产生很高的自感电势从而损坏开关管。
Boost电路的工作原理分为充电和放电两个部分来说明。在充电过程中,开关闭合(三极管导通),等效电路图,开关(三极管)处用导线代替。这时,输入电压流过电感。二极管防止电容对地放电。由于输入是直流电,所以电感上的电流以一定的比率线性增加,这个比率跟电感大小有关。随着电感电流增加,电感里储存了一些能量。
这是当开关断开(三极管截止)时的等效电路。当开关断开(三极管截止)时,由于电感的电流保持特性,流经电感的电流不会马上变为0,而是缓慢的由充电完毕时的值变为0。而原来的电路已断开,于是电感只能通过新电路放电,即电感开始给电容充电,电容两端电压升高,此时电压已经高于输入电压了,升压完毕。
说起来升压过程就是一个电感的能量传递过程。充电时,电感吸收能量,放电时电感放出能量。如果电容量足够大,那么在输出端就可以在放电过程中保持一个持续的电流。如果这个通断的过程不断重复,就可以在电容两端得到高于输入电压的电压。
BUCK电路图,12V到5V怎么画 ,其工作原理是什么

这是一个典型的BUCK型DC-DC转换电路。核心元件就是LM2576-5,是5V定电压型号,高压版本是LM2596-5。 工作原理: 12V输入电压经过防反接肖特基二极管D1,送入LM2576-5的1脚(VIN端,也与内部开关管的集电极相连)。另一路经R10和L3用于电源指示。
原创文章,作者:聚禄鼎,如若转载,请注明出处:https://www.xxso.cn/158601.html