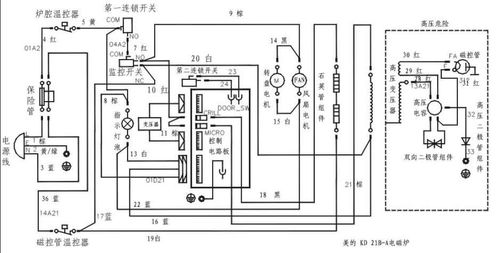
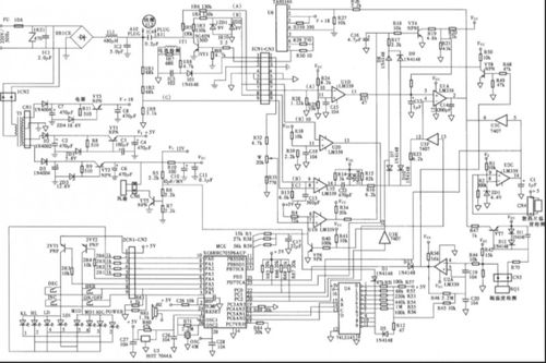
美的电磁炉电路图

美的电磁炉电路图如下:
TM-S1-01A型电路原理图:
TM-S1-01D型电路原理图
ST2118型电路原理图
电磁炉主要是利用电磁感应原理将电能转换为热能的厨房电器,当电磁炉在正常工作时,由整流电路将50Hz的交流电压变成直流电压,再经过控制电路将直流电压转换成频率为20-40KHz的高频电压,电磁炉线圈盘上就会产生交变磁场在锅具底部反复切割变化,使锅具底部产生环状电流(涡流),并利用小电阻大电流的短路热效应产生热量直接使锅底迅速发热,然后再加热器具内的东西。这种振荡生热的加热方式,能减少热量传递的中间环节,大大提高制热效率。

美的电磁炉,的电路图有吗?

我全面查阅了美的网站,没有电路图。
其实,我经常解答这样的问题。部分厂家给特约维修商配有部门产品的电路图,电子版的因为没有太大的市场需求,很少有人制作。
手机的电路图非常好找,呵呵。
求美的电磁炉C21-SK2105电路图

一般情况下不提供图纸的,网上可以找到一些通用的,再说这个比较简单,假负载可以接在保险管的位置(注意不是跨接,而是串在里面),没有低压变压器是因为使用了开关电源模块(如viper12等)简化了电路,降低了生产成本。
美的电磁炉c22ht2218hm的电路图

摘要 美的电磁炉电路图(二) 电磁炉作为一种新型的加热器具、最新的加热方式,具有以下的优点: 1、高效节能:与传统加热方式不同,电磁炉使锅具自身发热,减少了热量传递的中间环节,大大提高了制热效率,高达85-99%之热效率,比传统的炉具(电炉、气炉)节省能源一半以上; 2、安全可靠:电磁炉杜绝了传统炉具的各种隐患,通过国家安全验证,使用安全无忧; 3、智能烹饪:利用微电脑程序控制,专用软件,自动烹饪,配有预约定时功能,无须看管; 4、携带方便:电磁炉体积小巧,插电即用,适应现代生活的需要; 5、环保卫生:锅体直接发热,无热辐射,真正的“无明火烹饪”,环境中无热量、烟火、一氧化碳等废气,避免了利用传统炉具烹饪过程中遇到的“挥汗如雨”的情况。 咨询记录 · 于2021-10-25 美的电磁炉c22ht2218hm的电路图 美的电磁炉电路图(二) 电磁炉作为一种新型的加热器具、最新的加热方式,具有以下的优点: 1、高效节能:与传统加热方式不同,电磁炉使锅具自身发热,减少了热量传递的中间环节,大大提高了制热效率,高达85-99%之热效率,比传统的炉具(电炉、气炉)节省能源一半以上; 2、安全可靠:电磁炉杜绝了传统炉具的各种隐患,通过国家安全验证,使用安全无忧; 3、智能烹饪:利用微电脑程序控制,专用软件,自动烹饪,配有预约定时功能,无须看管; 4、携带方便:电磁炉体积小巧,插电即用,适应现代生活的需要; 5、环保卫生:锅体直接发热,无热辐射,真正的“无明火烹饪”,环境中无热量、烟火、一氧化碳等废气,避免了利用传统炉具烹饪过程中遇到的“挥汗如雨”的情况。 希望我的可以帮助到你
原创文章,作者:聚禄鼎,如若转载,请注明出处:https://www.xxso.cn/126789.html